TIL-205
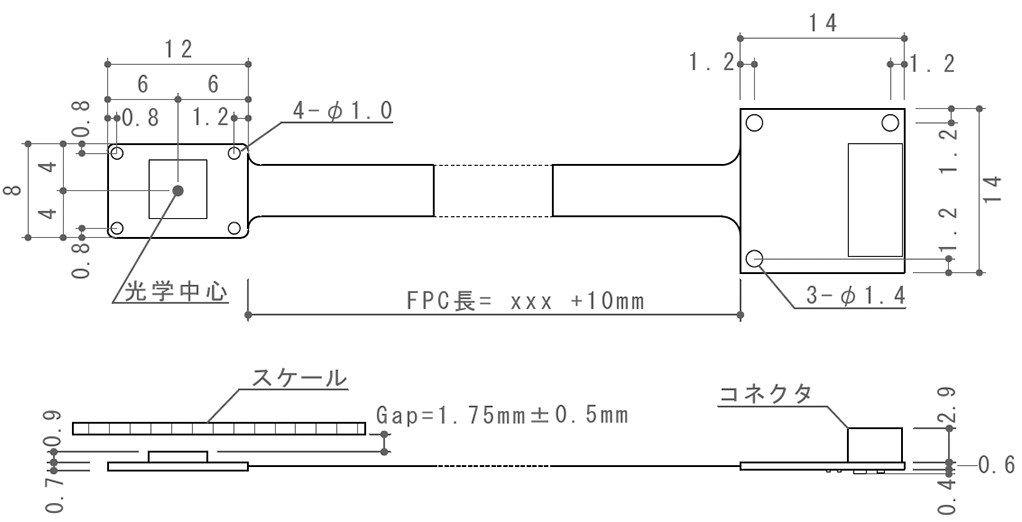
초소형·박형 광학 반사식 앱솔루트 인코더. 검출 헤드부 12mm×8mm×1.5mm(케이스 없음)의 초소형. 앱솔루트 트랙과 인크리멘탈 트랙을 동일 광학 헤드로 검출. 분해능 최대 12.5nm까지 설정 가능, 리니어 스케일 최대 6.71m 대응.
특징
- 초소형 헤드(12×8×1.5mm)
- 절대 위치 검출
- 최대 분해능 12.5nm
- BiSS/SSI 선택 가능
電気仕様
| 項目 | 仕様 |
|---|---|
| 定格電圧 | DC 5V ±10% |
| 定格電流 | 75mA typ(無負荷時)/ 140mA typ(100Ω終端時) |
| 検出方式 | 反射型、青色LED |
| インクリメンタルトラック分解能 | 204.8μm |
| 最大分解能 | 12.5nm |
| 最高速度 | 61.44 m/s |
| インターフェース | BiSS Slave or SSI Slave |
| 最大クロック周波数 | BiSS: 20MHz / SSI: 10MHz |
| ステータスLED | 緑(正常)/ 赤(エラー) |
| EEPROM | 設定保存用内蔵 |
使用環境
| 項目 | 仕様 |
|---|---|
| 動作温度 | -10~85℃ |
| 動作湿度 | 10~85%(結露無き事) |
| 使用場所 | 屋内(腐食性ガス・粉塵の無い場所) |
コネクタ ピン配列(JST SM08B-SRSS)
| Pin | 信号 |
|---|---|
| 1 | GND |
| 2 | +5V |
| 3 | MA+ |
| 4 | MA- |
| 5 | SLO+ |
| 6 | SLO- |
| 7 | SLI+ |
| 8 | SLI- |